ВСТУП
Креслення – це базова дисципліна, при вивченні теоретичних та спеціальних курсів під час підготовки фахівців. У наш час важко назвати галузь людської діяльності, яка не потребує читання та розуміння креслень.
Креслення широко застосовують у машинобудуванні та будівництві. Щоб побудувати будинок, автомобіль, виготовити одяг, дитячу іграшку, потрібно спочатку спроектувати рішення, висвітлити його та накреслити. Цим займаються інженери, архітектори, дизайнери та представники багатьох інших професій. Всі вони говорять мовою графіки.
Креслення – це графічний конструкторський документ, що визначає конструкцію виробу, а також містить відомості, необхідні для розроблення, виготовлення, контролю, монтажу й експлуатації виробу, включаючи його ремонт.
З історії креслення
Для створення графічних зображень на різних етапах розвитку суспільства використовуються різні матеріали та інструменти.
Поблизу іспанського селища Альтаміра збереглася печера – житло первісної людини, на стінах якої є сцени полювання на бізонів. У Сибіру в передгір’ях Алатау знайдено графічне зображення людей та тварин на стелях, виконаних людьми понад 30 тисяч років тому.
Потім стали використовувати берест, шкіру, полотно, пергамент, папір та інші матеріали. Ці та інші приклади свідчать про те, що спочатку люди намагаються графічно показати свої враження та бачення навколишнього світу. Поступове графічне зображення вдосконалюється, стає більше свідомим і виразним. Для цієї роботи було створено перші креслярські інструменти, які дійшли до нас із глибокої давнини: кут-вимірювач та прямокутний трикутник.
У багатьох напрямках цього часу використовуються самобутні геометричні побудови, на основі яких є план споруди. Для нас ці прийоми дуже цікаві тим, що в них закладено початок точного проектування. Графіками того часу залишається зробити ще один крок: об’єднати комбіновані проекти та закріпити їх на двох взаємно перпендикулярних площинах.

Вся історія розвитку людського суспільства була тісно пов’язана з удосконаленням мистецтва виконання зображень. Наскельні зображення людини виконувала шматочками вугілля, взявши його із залишків вогнища. Прообраз сучасного олівця з’явився пізніше, за добу старогрецької культури: це були графітові палички. Ще пізніше почали використовувати палички чи загострені кружечки із свинцю або срібла, які також залишали хороші помітні сліди на поверхнях твердих предметів. Перший «справжній» олівець був представлений в Англії в 1565 році, коли у графстві Камберленд був знайдений графіт. Місцеві майстри спромоглися розпилювати кристалічні графіти на тонкі стержні та вставляти їх у дереві ‘яні палички з отворами. На жаль, поклади графіту швидко скінчилися. Утретє олівець «народився» напередодні XVIII століття, коли француз Ніколя Жак Конте запропонував спосіб «одягати» графітовий стержень у дерев’яний одяг, а чех Йозеф Хардтмут винайшов новий спосіб виробництва графітових стержнів із суміші графітового порошку з глиною. Американський винахідник з міста Конкорд сконструював верстат для виготовлення дерев’яного «одягу» на олівці.
До удосконалення «графічних знарядь» причетні багато відомих людей. Досить згадати, що у XVIII ст. організацією виготовлення олівців у своїй лабораторії займався М.В.Ломоносов. Нині у світі виробляється приблизно 400 різноманітних типів і видів олівців.
Крім олівців та іншого традиційного обладнання в наш час широко використовуються інформаційні технології. Використання комп’ютера автоматизує деякі рутинні операції та елементи виконання креслень. В той же час, необхідно знати всі теоретичні відомості про виконання креслень, а також уміти користуватися відповідним програмним забезпеченням.
https://youtu.be/q1ygyjjfB74
Формат, рамка та основний напис
Щоб креслення були зручними в зберіганні та користуванні, їх виготовляють певного розміру. Розмір аркуша називають форматом.
Позначення та розмір основних та додаткових форматів креселень, встановлені міждержавним стандартом ГОСТ 2.301–68, ДСТУ ІSO 3098-0: 2006, ДСТУ ISO 3098-2: 2007, ДСТУ ISO 3098-3: 2007, ДСТУ ISO 3098-6: 2007.
Формат креслення визначається буквою та цифрою, наприклад A3, A4.
Розмір сторінки у форматі, мм:
297 × 210 – А4
297 × 420 – A3
594 × 420 – А2
594 × 841 – А1
1189 × 841 – A0
Кожне креслення має рамку, яка обмежує на форматі місце для побудови зображень та нанесення різних умовних позначень. Це місце всередині рамки називають полем креслення.
Лінії рамки проводять на відстані 20 мм від лівої межі формату і на відстані 5 мм від верхньої, нижньої і правої меж (рисунок 3). Залишена з лівого боку відстань призначена для підшивання креслень.
У правому нижньому куті поля креслення розміщують основний напис. До нього заносять відомості про осіб, що мають відношення до виконання креслення, назву зображеного на кресленні виробу та деякі інші дані, необхідні для кращого розуміння креслення.
Форма і зміст основного напису для креслень визначені державним стандартом.
На аркушах формату А4 основний напис розміщують тільки уздовж короткої сторони.
На кресленнях інших форматів основний напис розміщують уздовж довгої або уздовж короткої сторони.

Масштаб
Масштабом називають – відношення розмірів зображення предмета на кресленні до його дійсних розмірів.
Для розуміння будови, форми та елементів деталі її зображення виконують в натуральну величину, зменшують зображення нескладної великої деталі або збільшують
зображення деталі з малими розмірами.
- Масштаби зменшення: 1: 2; 1: 2,5; 1: 4; 1: 5; 1:10; 1:15; 1:25; 1:40; 1:50; 1:75; 1: 100; 1: 200; 1: 400; 1: 500; 1: 800; 1: 1000.
- Натуральна величина : 1: 1.
- Масштаби збільшення: 2: 1; 2,5: 1; 4: 1; 5: 1; 10: 1; 20: 1; 40: 1; 50: 1; 100: 1.
При збільшенні чи зменшенні зображення розміри ставляться дійсні.
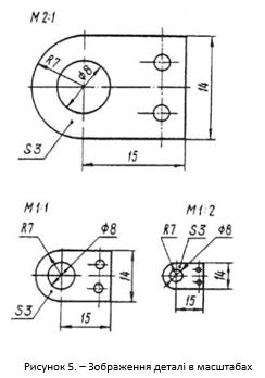
Масштаб записується в відповідній графі основного напису. Якщо одне з зображень виконане в іншому масштабі ніж в основному написі то зверху над зображенням ставиться масштаб з літерою М (рисунок 5).

Лінії креслення
Для виконання креслень застосовують лінії різної товщини та стилю. Кожна лінія має своє призначення. Вони затверджені стандартом ГОСТ 2.303-68 та ДСТУ ISO 128-24: 2005 Кресленики технічні.
Товщини лінійних креслеників приймаються відповідно до товщини суцільної основної лінії, яка визначається літерою S (табл.).
Запам’ятайте, що від товщини суцільної основної лінії залежить товщина інших ліній. Всі інші лінії повинні бути в 2 – 3 рази тоншими від неї.
Товщина ліній, довжина штрихів, штрихових і штрихпунктирних ліній повинні бути однаковими для всіх зображених креслеників і обиратися у залежності від великих розмірів, складності об’єктів та форми аркушу.
Штрихпунктирні і штрихові лінії повинні починатися, перетинатися і закінчуватися штрихами.
При викреслюванні кіл діаметром меньше 12 мм, центрові лінії зображують суцільними тонкими лініями(рис. 6).


ПИТАННЯ ДЛЯ САМОПЕРЕВІРКИ
- Що називається форматом кресленика?
- Який розмір формату А4?
- Що таке основний напис і де його розміщують?
- Для чого при виконанні креслень застосовують масштаби?
- Назвіть масштаб збільшення і зменшення.
- Що можуть означати зроблені на кресленні записи М1:1; М2:1; М5:1?
- Якщо креслення виконане у масштабі 1:2, то більшим чи меншим від самого предмета буде його зображення на кресленні?
- Яку довжину предмета слід вказати на кресленні, якщо його справжня довжина дорівнює 450 мм, а масштаб зображення 1:5?
- Для чого призначена штрихпунктирна лінія?
- Яку лінію називають суцільною товстою основною? Якої товщини вона повинна бути?
- Чому буде дорівнювати товщина суцільної тонкої і штрихової ліній, якщо товщина суцільної товстої основної лінії становить 1,2 мм?

Published: Apr 28, 2019
Latest Revision: Nov 14, 2020
Ourboox Unique Identifier: OB-617841
Copyright © 2019